WPDS型蝸輪蝸桿減速機的灰鑄鐵具有很好的鑄造性能和減振性能。為了便于軸系部件的安裝和拆卸,箱體制成沿軸心線水平剖分式。上箱蓋和下箱體用螺栓聯接成一體。軸承座的聯接螺栓應盡量靠近軸承座孔,而軸承座旁的凸臺,應具有足夠的承托面,以便放置聯接螺栓,并保證旋緊螺栓時需要的扳手空間。為保證箱體具有足夠的剛度,在軸承孔附近加支撐肋。為保證WPDS型蝸輪蝸桿減速機的減速器安置在基礎上的穩定性并盡可能減少箱體底座平面的機械加工面積,箱體底座一般不采用完整的平面。
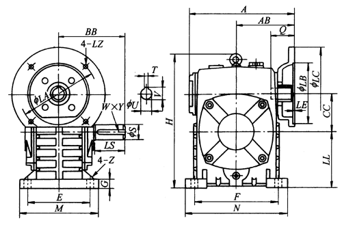
WPDS50、WPDS60、WPDS70、WPDS80、WPDS100、WPDS120、WPDS135、WPDS155、WPDS175、WPDS200、WPDS250、型WPDS型蝸輪蝸桿減速機的減速器主要尺寸
|
規格
|
輸入功率/kW
|
減速比
|
A
|
AB
|
BB
|
CC
|
H
|
HL
|
LL
|
M
|
N
|
E
|
F
|
G
|
Z
|
|
50
|
0.18
|
1/10
1/15
1/20
1/25
1/30
1/40
1/50
1/60
|
151
|
83
|
97
|
50
|
176
|
50
|
80
|
120
|
140
|
95
|
110
|
15
|
12
|
|
60
|
0.37
|
167
|
91
|
112
|
60
|
204
|
60
|
90
|
130
|
150
|
105
|
120
|
20
|
12
|
|
|
70
|
0.37
|
200
|
109
|
131
|
70
|
236
|
70
|
105
|
150
|
190
|
115
|
150
|
20
|
15
|
|
|
0.75
|
202
|
111
|
|||||||||||||
|
80
|
0.75
|
225
|
125
|
142
|
80
|
268
|
80
|
120
|
170
|
220
|
135
|
180
|
20
|
15
|
|
|
1.5
|
|||||||||||||||
|
100
|
1.5
|
280
|
148
|
169
|
100
|
336
|
100
|
150
|
190
|
270
|
155
|
220
|
25
|
15
|
|
|
120
|
2.2
|
333
|
181
|
190
|
120
|
430
|
120
|
180
|
230
|
320
|
180
|
260
|
30
|
18
|
|
|
3.0
|
|||||||||||||||
|
135
|
3.0
|
375
|
202
|
210
|
135
|
480
|
135
|
215
|
250
|
350
|
200
|
290
|
30
|
18
|
|
|
4.0
|
|||||||||||||||
|
155
|
5.5
|
448
|
247
|
252
|
155
|
531
|
135
|
235
|
275
|
390
|
220
|
320
|
35
|
21
|
|
|
175
|
5.5
|
481
|
262
|
262
|
175
|
600
|
160
|
260
|
310
|
430
|
250
|
350
|
40
|
21
|
|
|
7.5
|
|||||||||||||||
|
200
|
11.0
|
543
|
285
|
305
|
200
|
666
|
175
|
290
|
360
|
480
|
290
|
390
|
40
|
24
|
|
|
250
|
11.0
|
615
|
330
|
360
|
250
|
800
|
200
|
350
|
460
|
560
|
380
|
480
|
45
|
28
|
|
|
15.0
|
|
規格
|
輸入功率/kW
|
減速比
|
電機法蘭
|
輸入孔
|
輸出軸
|
質量m/kg
|
||||||||
|
LA
|
LB
|
LC
|
LE
|
LZ
|
Q
|
U
|
T×V
|
LS
|
S
|
W×Y
|
||||
|
50
|
0.18
|
1/10
1/15
1/20
1/25
1/30
1/40
1/50
1/60
|
115
|
95
|
140
|
4
|
M8
|
31
|
11
|
4×12.8
|
40
|
17
|
5×3
|
8
|
|
60
|
0.37
|
130
|
110
|
160
|
4
|
M8
|
33
|
14
|
5×16.3
|
50
|
22
|
6×3.5
|
11
|
|
|
70
|
0.37
|
130
|
110
|
160
|
4
|
M8
|
40
|
14
|
5×16.3
|
60
|
28
|
8×4
|
17
|
|
|
0.75
|
165
|
130
|
200
|
M10
|
42
|
19
|
6×21.8
|
|||||||
|
80
|
0.75
|
165
|
130
|
200
|
4.5
|
M10
|
48
|
19
|
6×21.8
|
65
|
32
|
10×5
|
22
|
|
|
1.5
|
52
|
24
|
8×27.3
|
|||||||||||
|
100
|
1.5
|
165
|
130
|
200
|
4.5
|
M10
|
52
|
24
|
8×27.3
|
75
|
38
|
10×5
|
38
|
|
|
120
|
2.2
|
215
|
180
|
250
|
5
|
M12
|
63
|
28
|
8×31.3
|
85
|
45
|
14×5.5
|
64
|
|
|
3.0
|
||||||||||||||
|
135
|
3.0
|
215
|
180
|
250
|
5
|
M12
|
63
|
28
|
8×31.3
|
95
|
55
|
16×6
|
85
|
|
|
4.0
|
||||||||||||||
|
155
|
5.5
|
265
|
230
|
300
|
5
|
M12
|
83
|
38
|
10×41.3
|
110
|
60
|
18×7
|
118
|
|
|
175
|
5.5
|
265
|
230
|
300
|
5
|
M12
|
83
|
38
|
10×41.3
|
110
|
65
|
18×7
|
165
|
|
|
7.5
|
||||||||||||||
|
200
|
11.0
|
300
|
250
|
350
|
6
|
M16
|
114
|
42
|
12×45.3
|
125
|
70
|
20×7.5
|
236
|
|
|
250
|
11.0
|
300
|
250
|
350
|
6
|
M16
|
114
|
42
|
12×45.3
|
155
|
90
|
25×9
|
396
|
|
|
15.0
|
||||||||||||||
下一條:二次包絡蝸輪蝸桿減速機