一般的減速器有斜齒輪減速器(包括平行軸斜齒輪減速器、蝸輪減速器、錐齒輪減速器等等)、行星齒輪減速器、擺線針輪減速器、蝸輪蝸桿減速器、行星摩擦式機械無級變速機等等。
1)圓柱齒輪減速器
單級、二級、二級以上二級。布置形式:展開式、分流式、同軸式。
2)圓錐齒輪減速器
用于輸入軸和輸出軸位置成相交的場合。
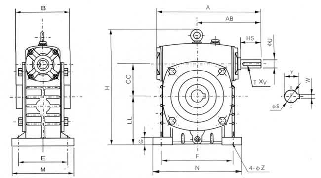
3)蝸桿減速器
主要用于傳動比i>10的場合,傳動比較大時結構緊湊。其缺點是效率低。目前廣泛應用阿基米德蝸桿減速器。
4)齒輪—蝸桿減速器
若齒輪傳動在高速級,則結構緊湊; 若蝸桿傳動在高速級,則效率較高。
5)行星齒輪減速器
傳動效率高,傳動比范圍廣,傳動功率12W~50000KW,體積和重量小。



上一條:WPKA型蝸桿減速機
下一條:WPKZ型蝸輪蝸桿減速機